| RATING | UPTO 600 Amp., UPTO 500V AC UPTO 250 Amp. UPTO 500V DC |
| CONSTRUCTION | IN AL. ALLOY LM6 |
| GAS GROUP | IIC AS PER IS/IEC 60079 -1:2014, Ex 'db' |
| ZONE | ZONE 1&2 |
| TEMP CLASS | T6 |
| DEG OF PROT | IP:66 AS PER IS/IEC 60529:2001 |
| CIMFR CERT NO | IN/CIMFR/TR21/R/805 DTD. 21/06/2021 |
| PESO CERT NO | A/P/HQ/MH/104/6892 (P516173) DTD. 21/09/2021 |
| BIS CERT NO | ENDORSEMENT NO. 132 DTD. 14/07/2021 |
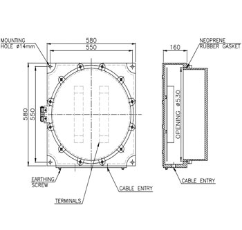
| EARTHING | 1NO. INTERNAL & 2NOS. EXTERNAL |
| PAINT | EPOXY POWDER COATED LIGHT GREY SHADE 631 OF IS:5 |
| TERMINALS | TO BE SPECIFY, ELMEX/CONNECTWELL MAKE. |
| CABLE ENTRY | TO BE SPECIFY, WITHOUT CABLE GLANDS & WITHOUT PLUGS. |
| HARDWARE | S.S-304 (ONLY NUTS & BOLTS.) |