| RATING | UPTO 400Amp., UPTO 500V AC OR UPTO 110Amp., UPTO 230V DC |
| CONSTRUCTION | IN AL. ALLOY LM6 |
| GAS GROUP | IIC AS PER IS/IEC:60079-1:2014, Ex 'd' |
| ZONE | ZONE 1&2 |
| TEMP CLASS | T5 |
| DEG OF PROT | IP:66 AS PER IS/IEC: 60529-2001 |
| CIMFR CERT NO | IN/CIMFR/TR21/R/805 DTD.21/06/2021. |
| PESO CERT NO | A/P/HQ/MH/104/6892 (P516173) DTD. 21/09/2021. |
| BIS CERT NO | ENDORSEMENT NO. 132 DTD. 14/07/2021 |
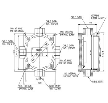
| EARTHING | 1NO. INTERNAL & 2NOS. EXTERNAL |
| PAINT | EPOXY POWDER COATED LIGHT GREY SHADE 631 OF 15:5 |
| TERMINALS | TO BE SPECIFY, ELMEX/CONNECTWELL MAKE. |
| CABLE ENTRY | 4NOS. 1/2"NPT, WITHOUT CABLE GLAND & WITHOUT PLUG. |
| HARDWARE | S.S-304 (ONLY NUTS & BOLTS) |