Plot No B-39 (Near Monginis), New Link Road, Andheri (W)
sales@flameproofequipments.com
Talk To Expert:
+91 8097509792
Home
About Us
Products
JUNCTION BOXES
LIGHT FITTING
LIMIT SWITCH
MANUAL CALL POINT
PUSH BUTTON STATION
ROTARY SWITCH
SPECIAL ITEMS
SWITCH SOCKET
Coal Mines
Weatherproof Power Center
Gate End Box
On-Line Starter
Lighting Transformer Panel
Drill Panel
Plug & Socket 30 Amp
Plug & Socket 150 Amp
Intrinsically Safe Rechargeable Cap / Hand Lamp
Weatherproof well glass light / flood light fitting
Weatherproof well glass fitting / flood light fitting entry type
Weatherproof tubular light fitting suitable for leds
Light fitting with flat toughened glass
Light Fitting Emergency Rechargeable type
Flood / Spot / Head Light Fitting
Weatherproof well glass / flood light fitting suitable for leds
Intrinsically safe Emergency Light Fitting
Intrinsically safe audio visual alarm
Intrinsically Safe Safety Torch / Hand Lamp / Search Light
Intrinsically Safe Portable Siren / Hooter
Intrinsically safe miner's safety Cap lamp
Gallery
Certificate
Awards
Clients
Video
Contact Us
LIMIT SWITCH
Home
LIMIT SWITCH
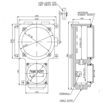
FLP-RH-02 (154X80X50) LONG LIMIT SWITCH
FLP-RH-02 (154X80X50)
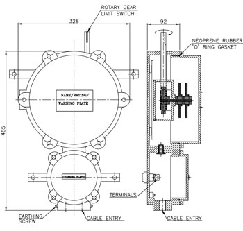
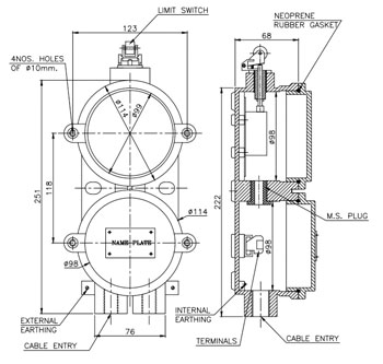
FLP-RH-3200 - 1 (DIA-180)
FLP-RH-5500 (DIA-250) INDIRECT LIMIT SWITCH
FLP-RH-7200 - 1 (DIA-90)
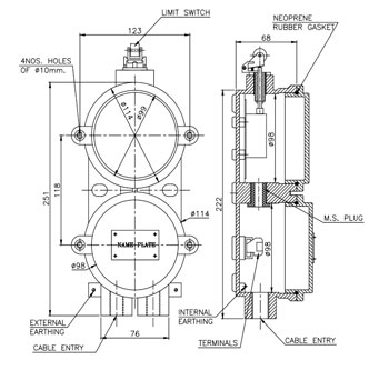
FLP-RH-7400 – 2 (DIA-98)
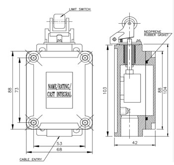
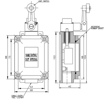
FLP-RH-7900 - 1 (88X68X42)
FLP-RH-7900 - 2 (88X68X42)