| RATNG | UPTO 63 Amp. UPTO 500V AC |
| CONSTRUCTION | IN AL. ALLOY LM6 |
| GAS GROUP | IIC AS PER IS/IEC 60079-1:2014, Ex 'db' |
| ZONE | ZONE 1&2 |
| TEMP CLASS | T6 |
| DEG OF PROT. | IP: 66 AS PER IS/IEC 60529:2001 |
| CIMFR CERT. N0 | IN/CIMFR/TR21/R/805 DTD. 21/06/2021. |
| PESO CERT. N0. | A/P/HQ/MH/104/6892 (P516173) DTD.21/09/2021. |
| BIS CERT. N0. | ENDORSEMENT NO. 132 DTD.14/07/2021. |
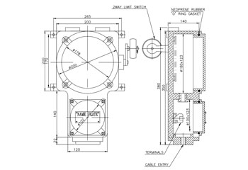
| EARTING | 1NO. INTERNAL & 2NOS. EXTERNALS |
| PAINT | EPOXY POWDER COATED LIGHT GREY SHADE 631 OF IS: 5 |
| TERMINAL | TO BE SPECIFY, ELMEX/CONNECTWELL MAKE. |
| CABLE ENTRY | TO BE SPECIFY, WITHOUT CABLE GLANDS & WITHOUT PLUGS. |
| HARDWARE | S.S-304 (ONLY NUTS & BOLTS) |